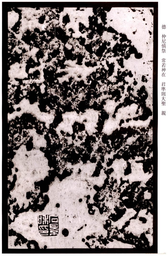
《淮源庙碑》刊于东汉桓帝延嘉六年(163)正月。原碑传说毁于唐时,故有元代吴炳重书本传世,重刊碑现立于河南桐柏招待所。全碑15行,每行33字。碑文内容是记述南阳太守中山卢奴君修建淮源庙的功德事绩。
《桐柏淮源庙碑》,亦称《桐柏庙碑》释文:延熹六年正月乙酉,南阳太守中山卢奴张君,处正好礼,尊神敬祀。以淮出平氏,始于大复,潜行地中,见于阳口,立庙桐柏,春秋宗禜,灾异告变,水旱请求。位比诸侯,圣汉所尊。受珪上帝,大常定申。郡守奉祀,礻齐洁沈祭。从郭君以业,廿馀年不复身至,遣承行事,简略不敬,明神弗歆,灾害以生。五岳四渎,与天合德。仲尼慎祭,常若神在。君准则大圣,亲之桐柏。奉见庙祠,崎岖逼狭。开拓神门,立阙四达。增广坛场,饰治华盖。高大殿宇,(缺)齐传馆。石兽表道,灵龟十四。衢廷弘敞,宫庙嵩峻。惧在祀,一年再至。躬进三牲,执玉以沈。为民祈福,灵报。天地清和,嘉祥昭格。禽兽硕茂,草木芬芳。黎庶赖祉,民用作颂。其辞曰:泫泫淮源,圣禹所导。汤汤其逝,惟海是造。疏秽济远,柔顺其道。弱而能强,仁而能武。不舍昼夜,明哲所取。实为四渎,与河合矩。烈烈明府,好古之则。虔恭礼祀,不愆其德。惟前废弛,匪躬匪力。灾眚以兴,阴阳以忒。陟彼高冈,臻兹庙侧。肃肃其敬,灵祗降福。雍雍其和,民用悦服。穰穰其庆,年谷丰殖。望君舆驾,扶老携息。慕君尘轨,报走忘食。怀君惠赐,思君罔极。于胥乐兮,傅于万亿。春侍祠官属五官掾章陵刘诉,功曹史安众刘瑗,主薄蔡阳乐茂,户曹史宛任巽秋,五官掾新□梁懿,功曹史郦周谦,主薄安众邓嶷,主记史宛赵,户曹史宛谢综。"































2023-06-11 16:19
本文来源:秦汉 - - 淮源庙碑高清图 释文
本文地址:https://ceshi.xinhandan.net/cms/show-2385.html
加入我们:微信:搜索公众号“新翰丹” 。新翰丹书法交流QQ群:620980212




